20

Apr . 2023

集成電源管理的160V三相MOTIX™門級驅動器

分享至

我們身邊有很多電池供電的應用比如打掃衛生時使用的手持吸塵器、裝傢俱時使用電動工具、大街上穿梭的電動自行車、隨處可見的服務機器人和公園裡6ED2742S01Q看到的無人機等,這些應用有一些共有的特點,就是設計緊湊並因地制宜的充分利用空間!

  • 160V絕緣體上的矽(SOI)技術
  •  Io+/Io- 1A/2A驅動電流(典型峰值)
  • 用於100%占空比的集成涓流充電泵
  • 集成的電源管理單元(PMU)
  • 集成的過流保護功能(ITRIP),有四個可選擇的閾值
  • 集成的電流採樣運放(CSA),有四個可選擇的增益
  • 2kV HBM ESD
  • 5x5mm² QFN-32封裝


它是一款160V柵極驅動器,用來適配低壓MOSFET,繼而驅動直流無刷電機,支援6V~140V的輸入電壓。6ED2742S01Q有一個集成的電源管理單元,包括一個線性預調器和電荷泵,能提供一個穩定的12V的VCC以驅動MOSFET。它在寬輸入電壓下工作,適合寬電池電壓,如10.8V到96V。6ED2742S01Q通過集成PMU、自舉二極體、ITRIP、電流感應放大器、電荷泵,降低了系統成本。它還具有卓越的抗閂鎖能力,使其成為各種應用的簡約和低成本的解決方案,如電動工具、機器人、無人機、低速電動汽車、吸塵器和戶外園藝工具。該晶片集成度高、封裝小巧,是電池供電應用的理想選擇。

圖1.6ED2742S01Q PMU在配置1中工作

首先介紹一下該產品非常吸引人的幾個特色功能。


01 驅動器自帶的電源管理功能

PMU針對不同電池電壓的應用場景,有如下三個配置模式。



     配置1:直連電荷泵     

一般情況下MOSFET的驅動電壓是12V,如果電池電壓不到12V時,往往需要一級開關電源獲取穩定的驅動VCC電壓,但是這樣就增加了電路的複雜程度。內置的電荷泵剛好解決了這個痛點。當電池電壓在6V到20V之間時,可以將電池直接連接VREG,如圖1所示;對於該功能設計的典型電壓為12V,即當電池電壓是12V時電荷泵的輸出電流ICP_AVG為額定電流15mA,並且電荷泵的輸出電壓,即驅動電壓也為12V;電池電壓低於12V時,ICP_AVG會降低至10mA,但是由於電荷泵的作用,電荷泵的輸出電壓仍為12V;如果電池電壓低於7V,電荷泵的輸出電壓會降低,具體見圖1。

圖2.6ED2742S01Q PMU在配置2中工作

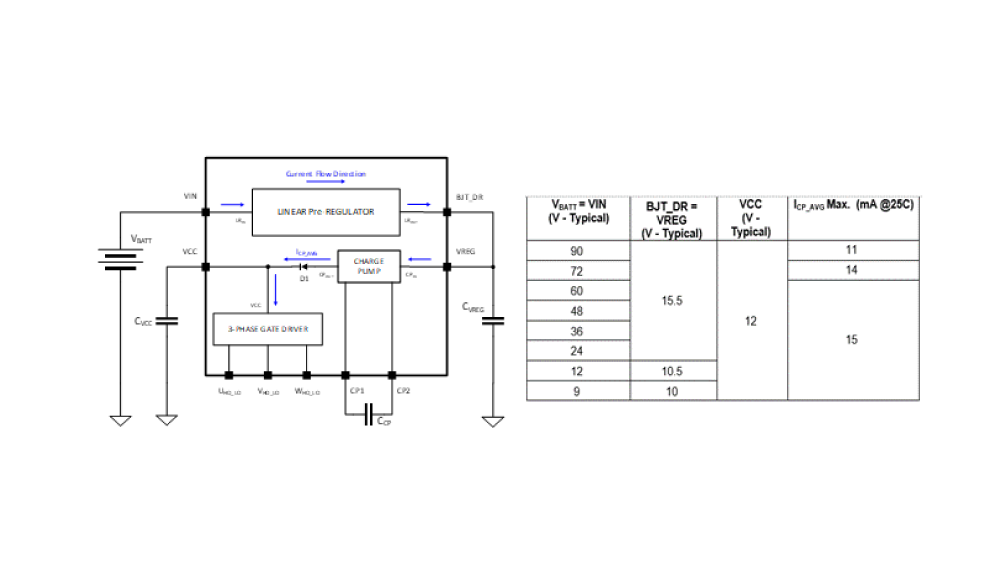
     配置2:直連LDO     

如果電池電壓在20V~90V之間,可將電池直接連接VIN。此時電池電壓經一級LDO降至15.5V,再通過電荷泵得到12V的VCC電壓。電池電壓高於60V的時候,電荷泵的輸出電流會ICP_AVG低於15mA。


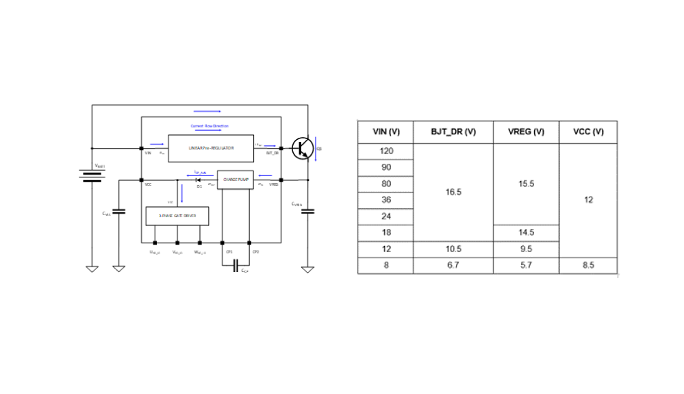
圖3.6ED2742S01Q PMU在配置3中工作

     配置3:外接BJT     

如果電池電壓在90V~120V之間,還可外接一個BJT於介面BJT_DR,如圖3所示,此時PMU在工作在配置3。


圖4.電流採樣運放和時序框圖

02 單電阻電流採樣運放(CSA)


6ED2742S01Q內置了可用於電流檢測的運算放大器,該運放具有四個可配置增益,分別為5、10、20、40。內置的運放可以檢測功率地(COM腳)和邏輯地(VSS腳)之間的電壓。該功能可以幫助減少外置的運算放大器,無需另外從電阻兩端引線,減少了週邊所需的元器件數量和PCB面積。需要注意的是該功能僅適用于單電阻採樣的情況。


STR輸入信號可説明讀取輸出偏置電壓從而進行校準。正常工作:STR信號為LOW,CSA輸出信號CSO是跟隨VSS-COM電壓乘以一定增益。當STR信號為高時,CSO信號可以用來報告運放偏移。CSO輸出增加了150mV VSS以上的偏置。這保證了在不同的增益設置、溫度和電壓變化下,輸出電壓偏移始終為正。


圖5.過流保護電路

03  ITRIP 過流保護功能


6ED2742S01Q也內置了可用於過流保護的高精度比較器,能夠在1us內快速回應在DC-母線上採樣到的過流,從而關閉輸出,如圖5所示,其中DC BUS-連接的是功率地VSS,COM腳作為晶片的數位地。同時該晶片的過流保護點閾值是可調的,可以根據表1設置不同的閾值電壓。


表1.過流保護閾值配置表



圖6.數字地與功率地

在這裡需要特別提醒的是,一定要注意兩個地的佈線與連接:數字地(VSS)和功率地(COM),採樣電阻也要放在這兩個地之間!如果驅動器的地的電位與控制器的地的電位相差太大,就會引起驅動器誤觸發。單一的地很容易引起這種問題,所以採用獨立的電源地和信號地來避免這樣的問題並減少了噪音的影響。


此外,自舉電容等浮地的器件儘量靠近晶片相關引腳,並盡可能減小雜訊環路,建議使用1uF的供電電容。減小驅動環路不僅減少接受和發射的電磁雜訊,還可以降低門極寄生導通的風險。減少功率回路的雜散電感有助於抑制開關產生的相電壓瞬態負壓-Vs,從而保證驅動器能正常工作。

總結一下

160V三相MOTIX™門級驅動器6ED2742S01Q,通過其集成的自舉二極體、PMU、CSA和過流保護比較器,可以説明工程師大大降低系統的元器件數量和產品所需要的PCB板面積。從而給外觀設計留下更大的施展空間,讓產品更加靈活多變、美輪美奐。


圖7.6ED2742S01Q參考板

以上就是该芯片几个非常有意思的功能,看了这些功能介绍,如果想进一步了解该芯片的使用,英飞凌还有该芯片的DEMO板可供参考,如图7所示。有兴趣的朋友可以点击文末“阅读原文”,获取产品规格书,规格书中有该DEMO板的原理图和PCB layout图片。

半導體元件詢問單
Inquiry Form
如您對本公司產品有任何的問題(產品報價、技術諮詢、產品文件、樣品索取、合作代理…等),都可以透過諮詢表單跟我們聯絡,我們將有專人回覆。
隱私權暨個人資料保護聲明

STEP

01
!

有標示 欄位為必填,請確實填寫謝謝。

諮詢需求
市場應用

↑若無法選擇適當的產業類別,請直接在此欄輸入您的所屬產業

↑請直接在此欄輸入您的所屬市場應用

諮詢商品

↑若無法搜尋到您要諮詢的品牌,請直接在此欄輸入品牌名稱

↑若無法搜尋到您要諮詢的料號,請直接在此欄輸入料號

備註內容

下一步,聯繫資料填寫

STEP

02
!

有標示 欄位為必填,請確實填寫謝謝。

公司名稱
所屬部門
聯絡人
職稱
聯絡電話
電子信箱
聯絡地址
交貨地址
是否為同行
驗證碼
訂閱電子報
Subscribe to Newsletter
!

有標示 * 欄位為必填,請確實填寫謝謝。

公司名稱
所屬部門
姓名
職稱
聯絡電話
選擇電子報語系
電子信箱
驗證碼